Проектирование общественных зданий
Услуги проектирования общественных зданий
Предлагаем полный комплекс услуг по проектирования общественных зданий. Наша компания является лидером в сфере проектирования общественных зданий и сооружений а так же проектировании промышленных объектов. Заказав проектирование общественного здания Вы можете так же заказать изготовление и монтаж Ваших конструкций. Специалисты нашей компании имеют большой опыт проектирования подобных проектов с последующим изготовлением и монтажом. Богатый опыт наших специалистов является гарантией качественно выполненных работ.
Как заказать услуги проектирования общественных зданий
Для оформления заявки на проектирование изготовление и монтаж общественного здания, Вам достаточно связаться с нами по телефону 8 (495) 215-07-79. Менеджеры нашей компании ответят на все интересующие Вас вопросы и помогут оформить заявку на проектирование нежного Вам общественного здания. Менеджер поможет Вам определиться с составом проектной документации. Далее Следует выслать все исходные файлы по проекту нам на почту с указание контактных данных. По Вашей заявке будет составлено коммерческое предложение по стоимостям и срокам проектирование предложенного Вами общественного здания.
Сколько по времени занимает проектирования общественных зданий
Конфигурация каждого общественного здания уникальна. Соответственно сроки проектирования каждого общественного здания уникальны. Наибольшее значение при оценке сроков проектирования уделяется объему проекта и сложности конструкций. Чем более сложные конструкции тем больше времени требуется на исполнение проекта. Наше проектное бюро насчитывает в штате более 30 инженеров. Это позволяет проводить проектные работы в кротчайшие сроки.
Как проектируется общественных здания
Общественные здания могут быть крайне разнообразными составу и назначению. Встречается крайне разнотипные конструкции. Наше конструкторское бюро использует новейшие программные комплексы Tekla Structures которые позволяют проектировать в 3D модели одновременно нескольким пользователям. Такой подход позволяет синхронизировать работу множества инженеров. Многопользовательские модели позволяют максимально уменьшить сроки разработки документации и многократно повысить качество проекта.
Какие комплекты чертежей необходимы при проектировании общественных зданий
Наши инженеры разрабатывают широкий спектр комплектов чертежей необходимый для изготовления и монтажа предложенного Вам комплекса зданий. Основные и наиболее востребованные комплекты чертежей:
- КМ – конструкции металлические. Содержит расчет сечений всех элементов. Графическая часть состоит из планов разрезов по осям и перечнем типовых узлов применяемых в конструкции. Данный комплект проходит госудаственную экспертизу. Для проектирования КМ необходимо иметь СРО.
- КМД – Конструкции металлические декатировочные. Данный комплект представляет из себя набор чертежей и ведомостей необходимых для производства металлоконструкций. КМД- самая объемная часть проекта металлоконструкций
- ППР – проект производства работ. В этом комплекте описываются технологии монтажа с учетом технологичности и экономической целесообразности.
- КЖ –конструкции железобетонные. В этой части проекта подробно описаны все конструкции выполненные из железобетона. Это могут быть как фундаменты так и здания целеком.
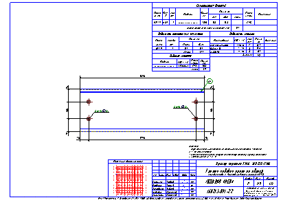
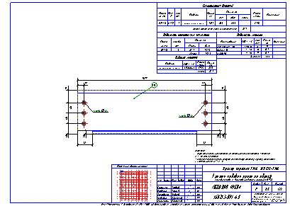
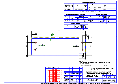
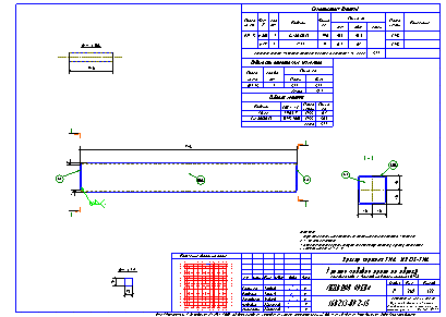
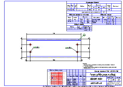
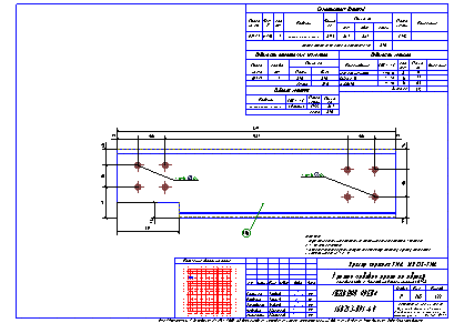
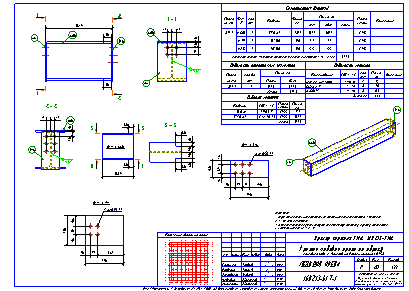
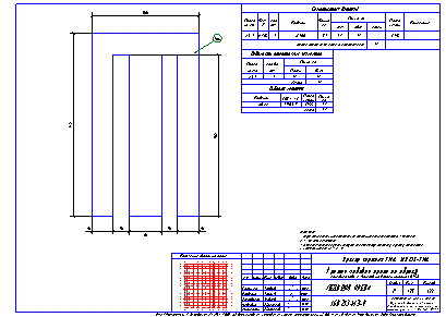
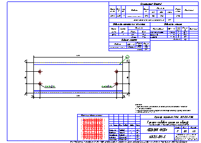
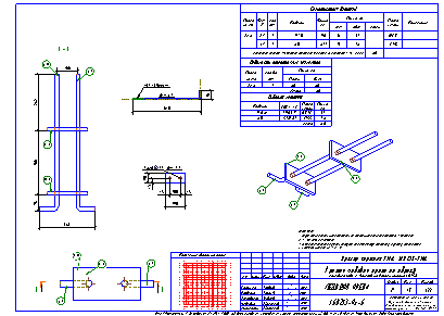
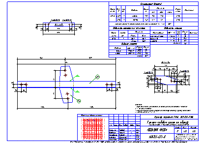
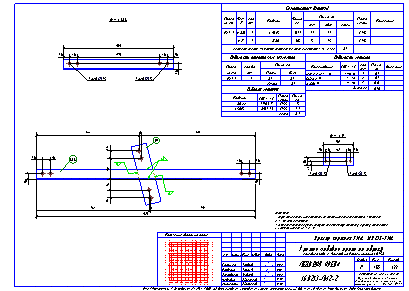
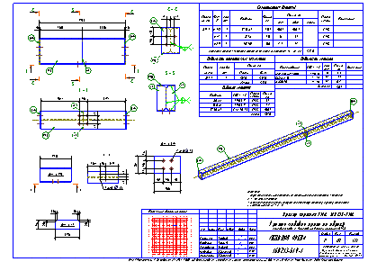
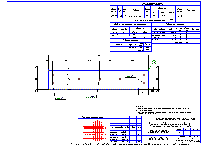
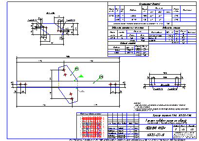
Проект содержит разделы КМ- конструкции металлические, КМД- конструкции металлические декатировочные, раздел КЖ- конструкции железобетонные а так же ограждающие конструкции (сендвич панели). Основные несущие конструкции данного проекта состоят из балок переменного сечения. Применение балок переменного сечения позволяет упростить процесс сборки и изготовления металлоконструкции. Балки фахверка не несут большую нагрузку из-за час то расположенных колон и отсутствует нагрузки с одной стороны от балки. Балки фахверка изготовлены из прокатных профилей. Проект общественного здания насчитывает более 500 свай.
Особенности разработки проекта
Совмещение в одной модели сразу нескольких разделов проектирования позволяет сократить до нуля количество нестыковок из за несогласованности проектировщиков КМ КМД и КЖ. Проектирование общественных зданий является крайне ответственной работой. От качества проектных работ зависит сроки постройки качество монтажа а значит и итоговая стоимость всего проекта.
Особенности проектирования общественных зданий.
С таким особенностям можно отнести требования к удобности использования готовой конструкции общественного здания. Если при разработке проектов промышленного назначения значение удобства ставится на второй план то при проектировании общественных зданий удобство использования, является главным параметром оцениваемым в конструкции. Особое внимание уделяется организации аварийных выходов и путей эвакуации при пожаре.
Типы проектов общественных зданий.
Проекты общественных зданий могут разрабатываться как на новые проекты так и на проекты реконструкции. Расчетные модели при проектировании общественных зданий. Нашей компанией используется разнообразные расчётное программное обеспечение. Данный проект был рассчитан в Robot Structural Analysis.
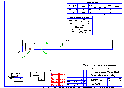
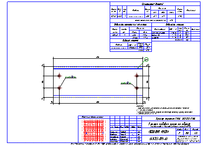
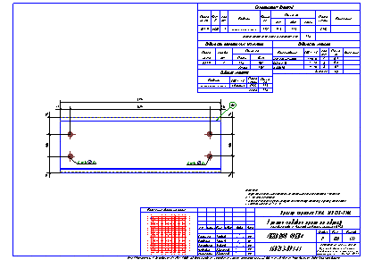
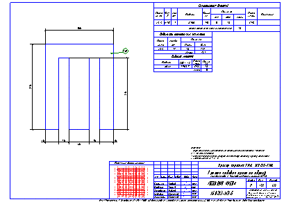
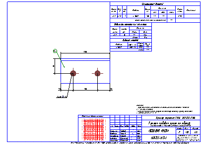
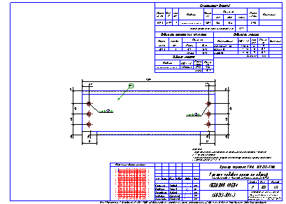
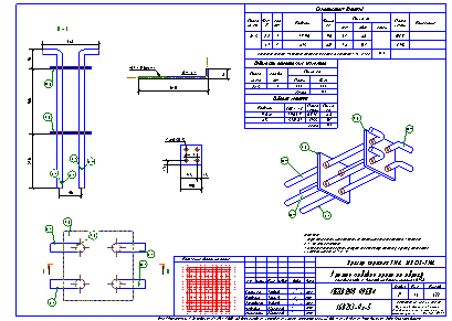
Примеры чертежей КМД общественного здания
|
|
|
|
|
|
|
|
|
|
|
|
|
|
|
|
|
|
|
|
|
|
|
|
|
|
|
|
|
|
|
|
|
|
|
|
|
|
|
|
|
|
|
|
|
|
|
|
|
|
|
|
|
|
|
|
|
|
|
|
|
|
|
|
|
|
|
|
|
|
|
|
|
|
|
|
|
|
|
|
|
|
|
|
|
|
|
|
|
|
|
|
|
|
|
|
|
|
|
|
|
|
|
|
|
|
|
|
|
|
|
|
|
|
|
|
|
|
|
|
|
|
|
|
|
|
|
|
|
|
|
|
|
|
|
|
|
|
|
|
|
|
|
|
|
|
|
|
|
|
|
|
|
|
|
|
|
|
|
|
|
|
|
|
|
|
|
|
|
|
|
|
|
|
|
|
|
|
|
|
|
|
|
|
|
|
|
|
|
|
|
|
|
|
|
|
|
|
|
|
|
|
|
|
|
|
|
|
|
|
|
|
|
|
|
|
|
|
|
|
|
|
|
|
|
|
|
|
|
|
|
|
|
|
|
|
|
|
|
|
|
|
|
|
|
|
|
|
|
|
|
|
|
|
|
|
|
|
|
|
|
|
|
|
|
|
|
|
|
|
|
|
|
|
|
|
|
|
|
|
|
|
|
|
|
|
|
|
|
|
|
|
|
|
|
|
|
|
|
|
|
|
|
|
|
|
|
|
|
|
|
|
|
|
|
|
|
|
|
|
|
|
|
|
|
|
|
|
|
|
|
|
|
|
|
|
|
|
|
|
|
|
|
|
|
|
|
|
|
|
|
|
|
|
|
|
|
|
|
|
|
|
|
|
|
|
|
|
|
|
|
|
|
|
|
|
|
|
|
|
|
|
|
|
|
|
|
|
|
|
|
|
|
|
|
|
|
|
|
|
|
|
|
|
|
|
|
|
|
|
|
|
|
|
|
|
|
|
|
|
|
|



















